DIBUJO TÉCNICO - ELECTRÓNICA 11°
5.    Si en el cruce no hay
contacto eléctrico se debe dibujar así:
6.    Cuando haya
demasiados puntos comunes a la tierra del circuito se debe evitar el uso de
muchas líneas de conexión, utilizando en su lugar el símbolo de tierra para
cada línea, así:
7.    Hasta donde sea
posible, aunque no es estrictamente necesario, es deseable que haya cierta
correspondencia espacial en la ubicación de los elementos en el plano respecto
al dibujo pictórico o al dispositivo físico real.
8.    No olvidar la
convención estándar de los símbolos literales para componentes de circuitos,
así:
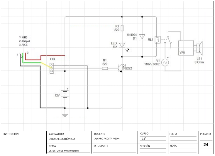
9. Cuando en un plano hay dos o más componentes del mismo tipo se debe utilizar índices ó subíndices así: R1, R2, R3, C1, C2, C3, L1, L2, Q1, Q2,….
10.    Si el plano no es muy
complejo se pueden colocar los símbolos literales, sus subíndices y sus valores al pie del respectivo símbolo
normalizado del elemento. Ejemplo:
11.    Si el plano es muy
complejo, es preferible hacer una tabla o cuadro aparte con los valores de los
componentes.
12.    En los diagramas de bloques, las
líneas con sus flechas deben ubicarse en la mitad de los costados de los
rectángulos así:
13.    En los diagramas de bloques
sólo se escribe la función o el tipo de
bloque funcional del circuito eléctrico de donde proviene; no se dibujan allí
los símbolos de los componentes, a menos que sean relevantes por sí mismos.
SISTEMAS NUMÉRICOS EN LA TECNOLOGÍA
En cualquier sistema numérico, se define la base o raíz como el número
máximo de dígitos disponibles en dicho sistema. Así, los sistemas numéricos más
importantes son los siguientes:
• Sistema
decimal o de base 10, que consta de diez dígitos: {0, 1, 2, 3, 4, 5,
6, 7, 8, 9}.
• Sistema
binario o de base 2, que consta de dos dígitos: {0, 1}.
• Sistema
octal o de base 8, que consta de ocho dígitos: {0, 1, 2, 3, 4, 5, 6,
7}.
• Sistema hexadecimal o de base 16, que consta de dieciséis dígitos: {0, 1, 2, 3, 4, 5, 6,7, 8, 9, A, B, C, D, E, F}.
PLANCHA N° 2: COMPUERTAS CON TRANSISTORES
PLANCHA N° 3: COMPUERTAS AND y OR
PLANCHA N° 4: COMPUERTAS NOT y YES
PLANCHA N° 5: NOR y NAND
PLANCHA N° 6: XOR y XNOR
PLANCHA N° 7: COMPUERTAS COMPLEMENTARIAS
PLANCHA N° 10: ÁLGEBRA DE BOOLE
PLANCHA N° 11: TEOREMAS DE MORGAN
PLANCHA N° 12: ÁLGEBRA DE BOOLE (1)
PLANCHA N° 13: ÁLGEBRA DE BOOLE (2)
PLANCHA N° 14: ÁLGEBRA DE BOOLE (3)
PLANCHA N° 15: SUMADORES
PLANCHA N° 17: CODIFICADORES
PLANCHA N° 20: DECODIFICADOR BCD / 7 SEGMENTOS
PLANCHA N° 21: CONTADOR DE EVENTOS
PLANCHA N° 22: CODIFICACIÓN DE TECLADOS
PLANCHA N° 23: SECUENCIADOR DE LUCES
 

























 
 
 
 
0 Comentarios